双螺杆压缩机进气过滤器_新乡市焦点娱乐滤器股份有限公司
新乡市焦点娱乐滤器股份有限公司
400-0089-277
您的位置:主页 > 产品展示 > 空气除尘设备 > 进气过滤器 >
废旧轮胎裂解处理方案

双螺杆压缩机进气过滤器

  • 品牌:焦点娱乐
  • 型号:LF160
  • 滤材:碳钢
  • 过滤精度:50μm
  • 工作温度:50℃
  • 公称压力:
  • 应用领域:压缩机、制冷

产品简介:
过滤器主要安装于螺杆式压缩机进气口端,连接关断阀与压缩机。滤除工作介质中杂质颗粒,有效提高工作介质的清洁度,纺织螺杆压缩机因污染颗粒而过早磨损或卡死,从而可减少故障,延长设备使用寿命。

热度:0
获取优惠报价

产品分类

产品详情

进气过滤器主要安装于螺杆式压缩机进气口端,连接关断阀与压缩机。滤除工作介质中杂质颗粒,有效提高工作介质的清洁度,纺织螺杆压缩机因污染颗粒而过早磨损或卡死,从而可减少故障,延长设备使用寿命。

进气过滤器主要去除空压机吸入空气中的粉尘杂质,吸入的空气越洁净则油滤芯、油气分离芯和油的使用寿命就越有保障。

进气过滤器主要防止其他异物进入主机,因为主机的部件配是非常精密的,重要的配合间隙一般为30-150μ,因此异物进入必然会对主机造成损伤,导致主机“抱死”甚至报废。




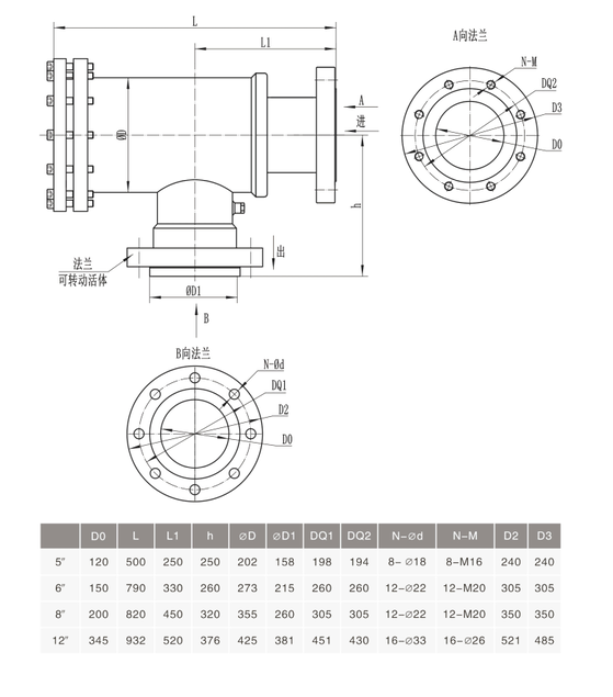
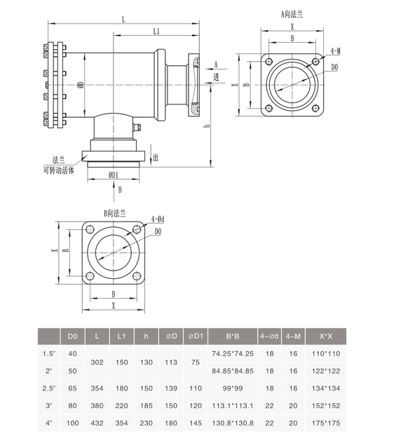
技术参数

QQ截图20221202134412QQ截图20221202134434QQ截图20221202134426

应用领域

电锅炉、换热机组、空气幕、风幕机、冷凝器、冷却塔、制冷剂、电机、温控器、传感器、变频器、消声器、燃油燃烧器、铜制散热器、壁挂式锅炉、新风换气机、温控阀、热量表、仪器仪表、离心风机、蒸发器、离心泵、风冷热泵机组、螺杆式压缩机、保温材料、加湿器、除湿机、管件、家用空调、专用空调、过滤器、电磁阀、风机盘管、户式中央空调、水处理设备等。


工程案例

QQ截图20221202141304

QQ截图20221202141319QQ截图20221202141311

上一篇:没有了
下一篇:制冷压缩机进气过滤器

在线留言

相关产品

  • 自清洁空气过滤器
    查看详情
    自清洁空气过滤器
  • 制冷压缩机进气过滤器
    查看详情
    制冷压缩机进气过滤器

在线
咨询

客服热线400-0089-277

AI-icon