压力管路过滤器_ZU-H/QU-H压力管路过滤器_新乡市焦点娱乐滤器股份有限公司
新乡市焦点娱乐滤器股份有限公司
400-0089-277

主页 > 产品板块 > 油品净化板块 > 液压油过滤器 > ZU-H、QU-H系列压力管路过滤器 >

ZU-H、QU-H系列压力管路过滤器 产品简介 性能与特点 技术参数 链接尺寸 现场直击 客户案例

产品简介

ZU-H、QU-H系列压力管路过滤器

ZU-H、QU-H系列压力管路过滤器

该过滤器安装在液压系统的压力管路上,用以滤除液压油中混入的机械杂质和液压油本身化学变化所产生的胶质、沥清质、炭渣质等,从 而防止阀芯卡死、节流小孔缝隙和阻尼孔的堵塞以及液压元件过快磨损等故障的发生。
该过滤器设有压差发讯装置,当滤芯污染堵塞到逬出油口压差为035MPa时,即发出开关信号,此时更换滤芯,以达到保护系统安全的目的。

应用范围 广泛应用于重型机械、矿山机械、冶金机械等液压系统。
过滤介质 液压油中水和乙二醇等
咨询电话 400-0089-277

性能与特点

该过滤器过滤效果好,精度高,但堵塞后清洗比较难,而须更换滤芯。
该过滤器滤芯采用玻璃纤维过滤材质,具有过滤精度高、通油能力大、原始压力损失小、纳污量大等优点,其过滤精度以绝对过滤精度标定,过滤比β3、5、10、20>200,过滤效率n≥99.5%,符合ISO标准。

技术参数

型号
Model
通径
Dia
(mm)
公称流量
Flow rate
(L/min)
过滤精度
Filtr.
(μm)
公称压力
Press.
(MPa)
压力损失
Pressure loss(MPa)
(MPa)
发讯装置功率 重量
(Kg)
滤芯型号
Model of element
连接方式
Connect
Initia Max
ZU/QU-H10x*P 15 10 1

3

5

10

20

30
32 0.08 0.35 24V/48W

220V/50W
3.6 HX - 10 X * # 管式
ZU/QU-H25x*P 25 5.0 HX - 25 x * #
ZU/QU-H40X*P 20 40 0.1 8.0 HX - 40 X * #
ZU/QU-H63x*P 63 9.8 HX — 63 x * #
ZU/QU-H100x*P 25 100 12.0 HX - 100 X * #
ZU/QU-H160x*P 32 160 0.12 18.2 HX - 160 X * #
ZU/QU-H250X*FP 40 250 23.0 HX - 250 x * # 法兰式
ZU/QU-H400x*FP 50 400 0.15 133.8 HX - 400 X * #
ZU/QU-H630x*FP 53 630 42.0 HX - 630 X * #
ZU/QU-H800x*FP 800 52.0 HX - 800 X * #

注:*为过滤精度,#表示过滤材料,若使用介质为水一乙二醇,使用压力32MPa,公称流量63L/min,滤材为纸质,带发讯器和旁通阀,则过滤器型号为:ZUI·BH-H63x*P,滤芯型号为HX·BH-63X *0。滤材为化纤,带发讯器,则过滤器型号为:QU·BH-63x*Q,滤芯型号为HX·BH-63x*Q, 滤材为金属网,带发讯器,则过滤型号为:WU-H63x*P,滤芯型号为:HX-63x*W

链接尺寸

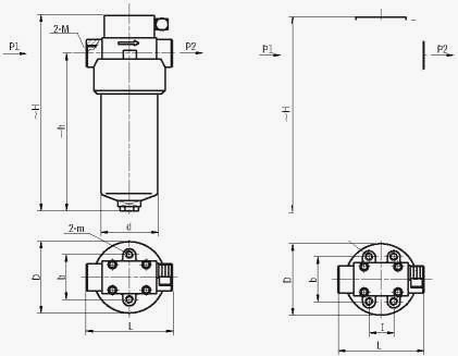
表一、管式

ZU-H、QU-H系列压力管路过滤器管路连接
型号
Model
尺 寸 Size (mm)
~H ~h L I b D d m M
ZU/QU-H10x*P 198 140 118 70 Φ88 Φ73 2-M6 M27x2
ZU/QU-H25x*P 288 230
ZU/QU-H40x*P 255 194 128 44 86 Φ124 Φ102 4-M10 M33X2
ZU/QU-H63x*P 323 262
ZU/QU-H100x*P 394 329 M42x2
ZU/QU —h160x*p 435 362 166 60 100 Φ146 Φ121 M48X2

表二、法兰式

型号
Model
尺 寸 Size (mm)
~H ~h L I b D d d1 m
ZU/QU-H250x*FP 508 430 166 60 100 146 121 Φ40 M10
ZU/QU-H400x*FP 545 461 206 123 170 146 Φ50 M12
ZU/QU-H630 x*FP 647 563 Φ55
ZU/QU-H800x*FP 767 683

表三、板式

ZU-H、QU-H系列压力管路过滤器板式连接1 H系列压力管路过滤器板式连接2

注:安装螺钉建议选用GB/T70.1-2000 12.9级

型号
Model
尺 寸 Size (mm)
~H ~H1 R d L B I b E f h h1 h2 d1 d2 d3
ZU/QU-H10x*BP 210 142 46 Φ73 158 60 128 30 40 20 50 110 22 Φ15 Φ24 Φ13
ZU/QU-H25 x *BP 300 232
ZU/QU-H40 x *BP 269 199 62 Φ102 190 64 160 32 50 25 65 138 25 Φ25 Φ32 Φ15
ZU/QU-H63x*BP 337 267
ZU/QU-H100x*BP 399 329
ZU/QU-H160x*BP 426 353 73 Φ121 212 72 180 40 60 30 77 164 30 Φ32 Φ40 Φ17
ZU/QU-H250x*BP 507 429 80 48 30 Φ40 Φ50
ZU/QU-H400x*BP 554 461 85 Φ146 275 110 225 60 80 40 92 194 40 Φ50 Φ65 Φ26
ZU/QU-H630 x*BP 654 561

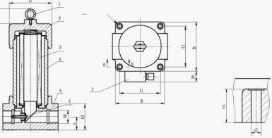
表四、倒装管式

H系列压力管路过滤器倒装管式连接

1、 吊环螺钉    2、 顶盖    3、 滤芯    4、 壳体    5、 滤头    6、 旁通阀    7、 发讯器

型号
Model
尺 寸 Size (mm)
H H1 L L1 B d1 h h1 h2 M d
ZU/QU-H10x*DLP 198 148 130 95 115 Φ9 27.5 33 54 M27x2 Φ92
ZU/QU-H25x*DLP 288 238
ZU/QU-H40x*DLP 247 197 156 115 145 Φ14 34 41 68 M33x2 Φ124
ZU/QU-H63x*DLP 315 265
ZU/QU-H100x*DLP 377 327 M42x2
ZU/QU-H160x*DLP 415 365 190 140 170 46 50 92 M48x2 Φ146

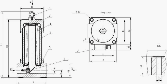
表五、倒装法兰式

H系列压力管路过滤器倒装法兰连接

1、 吊环螺钉    2、 顶盖    3、 滤芯    4、 壳体    5、 滤头    6、 旁通阀    7、 发讯器

型号
Model
尺 寸 Size (mm)
H H1 D L L1 B d1 h h1 h2 d
ZU/QU-H10X*DFP 198 148 Φ92 130 95 115 Φ9 27.5 33 54 Φ18
ZU/QU-H25x*DFP 288 238
ZU/QU-H40x*DFP 247 197 Φ124 156 115 145 Φ14 34 41 68 Φ25
ZU/QU-H63x*DFP 315 265
ZU/QU-H100x*DFP 377 327
ZU/QU-H160x*DFP 415 365 Φ146 190 140 170 46 50 92 Φ32
ZU/QU-H250x*DFP 485 435 Φ40
ZU/QU-H400x*DFP 532 482 Φ176 240 160 200 Φ18 63 75 122 Φ50
ZU/QU-H630 x*DFP 632 582 Φ55
ZU/QU-H800x*DFP 752 702

表六、倒装法兰式A型

H系列压力管路过滤器倒装法兰A型连接

1、 吊环螺钉    2、 顶盖    3、 滤芯    4、 壳体    5、 滤头    6、 旁通阀    7、 发讯器

型号
Model
尺 寸 Size (mm)
H H1 L L1 L2 B d1 h h1 h2 d D
ZU/QU-H10x* DFAP 198 148 122.5 65 95 115 Φ9 27.5 33 54 Φ18 Φ92
ZU/QU-H25X* DFAP 288 238
ZU/QU-H40x* DFAP 247 197 150.5 78 115 145 Φ14 34 41 68 Φ25 Φ124
ZU/QU-H63X* DFAP 315 265
ZU/QU-H100X* DFAP 377 327
ZU/QU-H160X* DFAP 415 365 180 95 140 170 46 50 92 Φ32 Φ146
ZU/QU-H250X* DFAP 485 435 Φ40
ZU/QU-H400X* DFAP 532 482 220 120 160 200 Φ18 63 75 122 Φ50 Φ176
ZU/QU-H630X* DFAP 632 582 Φ55
ZU/QU-H800X* DFAP 752 702

表七、倒装法兰式B型

H系列压力管路过滤器倒装法兰B型连接

1、 吊环螺钉    2、 顶盖    3、 滤芯    4、 壳体    5、 滤头    6、 旁通阀    7、 发讯器

型号
Model
尺 寸 Size (mm)
H H1 L L1 L2 B d1 h h1 h2 d D
ZU/QU-H10x* DFBP 198 148 122.5 65 95 115 Φ9 27.5 33 54 Φ18 Φ92
ZU/QU-H25X* DFBP 288 238
ZU/QU-H40x* DFBP 247 197 150.5 78 115 145 Φ14 34 41 68 Φ25 Φ124
ZU/QU-H63X* DFBP 315 265
ZU/QU-H100X* DFBP 377 327
ZU/QU-H160X* DFBP 415 365 180 95 140 170 46 50 92 Φ32 Φ146
ZU/QU-H250X* DFBP 485 435 Φ40
ZU/QU-H400X* DFBP 532 482 220 120 160 200 Φ18 63 75 122 Φ50 Φ176
ZU/QU-H630X* DFBP 632 582 Φ55
ZU/QU-H800X* DFBP 752 702

表八、倒装板式

H系列压力管路过滤器倒装板式连接

1、 吊环螺钉    2、 顶盖    3、 滤芯    4、 壳体    5、 滤头    6、 旁通阀    7、 发讯器
注:安装螺钉建议选用GB/T70.L2000 12.9级

型号
Model
尺 寸 Size (mm)
H H1 D L L1 B d1 E h1 h2 d3 d4 b
ZU/QU-H10X* BDP 196 146 Φ92 130 90 115 Φ11.5 60 31 50 Φ15 Φ24 14
ZU/QU-H25X*BDP 286 236
ZU/QU-H40X*BDP 245 195 Φ124 156 115 145 Φ16 88 39 64 Φ25 Φ38 15
ZU/QU-H63X*BDP 313 263
ZU/QU-H100X*BDP 375 325
ZU/QU-H160X*BDP 413 363 Φ146 190 135 170 Φ18 104 48 88 Φ40 Φ50 23
ZU/QU-H250X* BDP 483 433
ZU/QU-H400X* BDP 530 480 Φ176 240 160 200 Φ26 144 70 118 Φ50 Φ65 24
ZU/QU-H630X* BDP 630 580
ZU/QU-H800X* BDP 750 700

现场直击

  • 产品实拍

  • 视频

  • H系列压力管路过滤器产品实拍1 H系列压力管路过滤器产品实拍2 H系列压力管路过滤器产品实拍3 H系列压力管路过滤器产品实拍4 H系列压力管路过滤器产品实拍5

客户案例

  • 双筒油过滤器案例
    双筒油过滤器案例

    用途:液压油过滤流量:1000t/h

  • 压力管路过滤器客户现场
    压力管路过滤器客户现场

    用途:液压油过滤流量:200t/h

  • 机械加工行业过滤现场
    机械加工行业过滤现场

    用途:油过滤流量:100t/h

定制服务流程

根据不同工况,提供定制服务

在线
咨询

客服热线400-0089-277

AI-icon