定制服务流程
根据不同工况,提供定制服务
主页 > 产品板块 > 油品净化板块 > 液压油过滤器 > TF系列箱外自封式吸油过谑器 >
本过过滤器安装在油泵吸口处,用以保护油泵及其它液压元件,以避免吸入污染杂质,有效地控制液压系统污染,提高液压系统清洁度。
本过过滤器可直接的在油箱侧边,上部或底部,吸油筒体浸入油箱内液面仪下,过滤器滤头露在油箱外,并设有自封阀,旁通阀,滤芯污染増塞发讯器等装置,使更换滤芯和清洗滤芯时油箱内油液不会流出,本产品设计新颖,安装方便,油通能力大,阻力小,清洗或更换滤芯方便等优点。
| 应用范围 | 广泛应用于重型机械、矿山机械、冶金机械等液压系统。 |
| 过滤介质 | 液压油中水和乙二醇等 |
| 咨询电话 | 400-0089-277 |
性能与特点
水由进水口进入过滤器,首先经过粗滤芯组件滤掉较大颗粒的杂质,然后到达细滤网,通过细滤网滤除细小颗粒的杂质后,清水由出水口排出。
在过滤过程中,细滤网的内层杂质逐渐堆积,它的内外两侧就形成了一个压差。当这个压差达到预设值时,将开始自动清洗过程:排污阀打开,主管组件的水力马达室和水力缸释放压力并将水排出;水力马达室及吸污管内的压力大幅下降,由于负压作用,通过吸嘴吸取细滤网内壁的污物,由水力马达流入水力马达室,由排污阀排出,形成一个吸污过程。当水流经水力马达时,带动吸污管进行旋转,由水力缸活塞带动吸污管作轴向运动,吸污器组件通过轴向运动与旋转运动的结合将整个滤网内表面完全清洗干净。整个清洗过程将持续数十秒。排污阀在清洗结束时关闭,增加的水压会使水力缸活塞回到其初始位置,过滤器开始准备下一个冲洗周期。在清洗过程中,过滤机正常的过滤工作不间断。
技术参数
| 型号 | 公称流量 (L/min) |
过滤精度 (μm) |
通径 (mm) |
原始压力损失 (MPa) |
发讯装置 |
连接方式 | 重量 (Kg) |
滤芯型号 | |
|---|---|---|---|---|---|---|---|---|---|
| (V) | (A) | ||||||||
| TF-25x*L-C/Y | 25 | 80 100 180 |
15 | <0.01 | 12 24 36 220 |
2.5 2 1.5 0.25 |
管式 | 0.4 | TFX-25×* |
| TF-40x*L-C/Y | 40 | 20 | 0.45 | TFX-40×* | |||||
| TF-63×*L-C/Y | 63 | 25 | 0.82 | TFX-63×* | |||||
| TF-100×*L-C/Y | 100 | 32 | 0.87 | TFX-100×* | |||||
| TF-160×*L-C/Y | 160 | 40 | 1.75 | TFX-160×* | |||||
| TF-250×*F-C/Y | 250 | 50 | 法兰 | 2.6 | TFX-250×* | ||||
| TF-400×*F-C/Y | 400 | 65 | 4.3 | TFX-400×* | |||||
| TF-630×*F-C/Y | 630 | 90 | 6.2 | TFX-630×* | |||||
| TF-800×*F-C/Y | 800 | 6.9 | TFX-800×* | ||||||
| TF-1000×*F-C/Y | 1000 | 8 | TFX-1000×* | ||||||
| TF-1300×*F-C/Y | 1300 | 10.4 | TFX-1300×* | ||||||
注:*为过滤精度,若使用介质为水——乙二醇,公称流量160L/min,过滤精度80μm,带ZS-I型发讯器,则过滤器型号为TF*BH-160X80L-C,滤芯型号为TFX*BH-160X80。
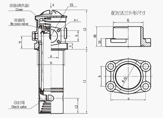
链接尺寸
1、管式(出油口螺纹链接)
2、法兰式(出油口法兰链接)
表一、TF-25~160螺纹式连接尺寸
| 型号 |
尺 寸(mm) | ||||||||||||
|---|---|---|---|---|---|---|---|---|---|---|---|---|---|
| L1 | L2 | L3 | H | M | D | A | B | C1 | C2 | C3 | h | d | |
| TF-25 × * L-C/Y | 93 | 78 | 36 | 25 | M22 × 1.5 | Φ62 | 80 | 60 | 45 | 42 | 42 | 9.5 | Φ9 |
| TF-40 × * L-C/Y | 110 | M27 × 2 | |||||||||||
| TF-63 × * L-C/Y | 138 | 98 | 40 | 33 | M33 × 2 | Φ75 | 90 | 70.7 | 54 | 47 | 10 | ||
| TF-100 × * L-C/Y | 188 | M42 × 2 | |||||||||||
| TF-160 × * L-C/Y | 200 | 119 | 53 | 42 | M48 × 2 | Φ91 | 105 | 81.3 | 62 | 53.5 | 12 | Φ11 | |
表二、TF-250~800螺纹式连接尺寸
| 型号 |
尺 寸(mm) | ||||||||||||||||
|---|---|---|---|---|---|---|---|---|---|---|---|---|---|---|---|---|---|
| L1 | L2 | L3 | H | D1 | D | a | b | n | A | B | C1 | C2 | C3 | h | d | Q | |
| TF-250 × * F-C/Y | 270 | 119 | 53 | 42 | Φ50 | Φ91 | 70 | 40 | M10 | 105 | 81.3 | 72.5 | 53.5 | 42 | l2 | Φ11 | Φ60 |
| TF-400 × * F-C/Y | 275 | 141 | 60 | 50 | Φ65 | Φ110 | 90 | 50 | 125 | 95.5 | 82.5 | 61 | 15 | Φ73 | |||
| TF-630 × * F-C/Y | 325 | 184 | 55 | 65 | Φ90 | Φ140 | 120 | 70 | 160 | 130 | 100 | 81 | 15.5 | Φ102 | |||
| TF-800 × * F-C/Y | 385 | ||||||||||||||||
| TF-1000 × * F-C/Y | 485 | ||||||||||||||||
| TF-1300 × * F-C/Y | 680 | ||||||||||||||||
注:本产品所需的出油口法兰,安装连接螺栓及密封垫圈等配件均和本产品配套提供,用户只需准备好外径Q的管子焊上即可。发讯器连接口为M18 × 1.5,不需带发讯器者可提供堵丝。
现场直击
细节展示
视频
客户案例
用途:液压油过滤流量:1000t/h
用途:液压油过滤流量:200t/h
用途:油过滤流量:100t/h
根据不同工况,提供定制服务
您只需一个电话 剩下的交给焦点娱乐
职业销售团队与您对接需求情况
专业工程师 提供精准解决方案
标准化生产流程 保障产品质量
专业安装团队 保障设备正常运行
提供全套后期维护服务