-
石油化工行业中油过滤方案
在石油化工行业领域,油品的质量对于设备的正常运行和产品质量起着至关重要的作用。
农业机械加工行业解决方案
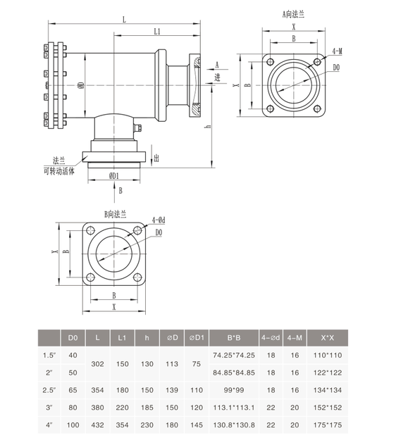
PLF压力管路安装在压力管路上面,用以进一步清洗或阻挡由于外界带入元件工作时的磨损,以及介质本身化学作用所产生的杂质。
船舶行业油过滤解决方案
船舶发动机在长时间运行过程中,润滑油会受到各种污染。油液中混入的杂质颗粒(如金属屑、灰尘、氧化物等)会加速设备零部件的磨损,引起密封件泄漏、阀门卡滞、油泵损坏等故障,降低设备的可靠性和使用寿命,增加维修成本和停机时间。
工程机械液压油过滤方案
液压系统的故障至少有75%是由于液压油不清洁造成的。因此,防止液压油污染是十分重要的。
工程机械便携过滤方案
油液在设备长期运转后,设备中的液压油,润滑油,机油等不可避免地被混入大量的铁屑,水乳化物,元件损颗粒等杂质以及由于高温氧化液压油自身生成氧化变质产生的胶质沥青质的污染,油液的颜色逐渐浑浊,油液粘度下降,性能降低,会严重影响系统的工作性能,降低元件的使用寿命,直接导致对设备的损坏。
工程车辆机油过滤方案
采用多级机油过滤器,配备不同精度和效率的机油过滤滤芯,经济有效的实现工程车辆机油过滤。
-
湖北某纸业循环水过滤解决方案
多介质过滤器是循环水处理的重要方法之一,在确保循环水系统的高效运行,同时保证水质安全、设备防腐蚀、循环利用等目标的实现。
某饮料厂用水预过滤解决方案
大流量保安过滤器应安装在饮料生产工艺用水的预处理环节之后,反渗透系统(若有)或其他精细过滤设备之前,以确保进入后续关键生产工序的水已经经过初步净化且能有效保护后续设备。
某固体燃料热加工含油废水处理解决方案
在许多工业生产过程及污水处理场景中,水中含油会对环境、设备运行及后续工艺产生不利影响。
某钢铁厂循环冷却水解决方案
在整个社会发展中,钢铁工业在水和废水排放方面非常突出,循环冷却水的用量占钢铁行业用水总量的50%~90%。
煤化工行业脱盐水及污水过滤解决方案
煤化工行业的生产工艺流程多而杂、耗水量巨大,每个环节都会产生各种污染物,虽然其中的大部分可以进行回收,但废水中剩余的大多数是有毒有害且难降解的污染物。
石化企业循环水过滤解决方案
焦点娱乐自主研发的浅层砂过滤器可以有效的解决这些问题,保证循环冷却水系统的高效、稳定、安全运行。
-
河南某食品厂生产线脉冲式滤筒除尘设备解决方案
客户现场已有一级旋风除尘,焦点娱乐焦点娱乐承接了二级除尘项目。该项目的排放要求为5mg/m³,焦点娱乐根据客户需求及现场情况,为他们设计了两台脉冲式滤筒除尘器。
滤筒除尘器在焊接打磨烟气中解决方案
滤筒除尘器在切割打磨的应用中起到了至关重要的作用。在焊接烟气中的应用主要体现在有效过滤焊接过程中产生的烟尘和有害气体,从而保护工人健康、提高工作环境质量、延长设备使用寿命,并减少环境污染。
热处理行业除尘案例
袋式除尘器是一种干式滤尘装置。它适用于捕集细小、干燥、非纤维性粉尘。滤袋采用纺织的滤布或非纺织的毡制成,利用纤维织物的过滤作用对含尘气体进行过滤,当含尘气体进入袋式除尘器后,颗粒大、比重大的粉尘,由于重力的作用沉降下来,落入灰斗,含有较细小粉尘的气体在通过滤料时,粉尘被阻留,使气体得到净化
自洁式空气过滤器在天然气石化行业解决方案
中石油天然气压缩机房、燃汽轮机吸入含有灰尘的空气之后,将造成过滤器的磨损,过滤器吸入的灰尘会在风机叶片表面上结垢,造成设备中转子的动平衡失衡、精度下降,使其工作寿命大大减短,灰尘中的有害化学成分会使设备生锈、腐蚀。因此,空气动力设备要配自洁式空气过滤器。自洁式空气过滤器过滤过程:含尘空气经空气压缩机吸气作用,从粗过滤箱吸入,经过高效过滤筒,由于重力惯性、扩散、接触阻留等综合作用,尘埃被吸附在高效过
钢厂除尘器处理方案
袋式除尘器是一种广泛应用于工业除尘领域的除尘设备,通过安装在除尘设备内的滤袋或褶式滤袋,过滤工业加工过程中的空气污染物,捕获有害颗粒物和粉尘,排出洁净空气。因其具有成本效益好、过滤效率高的特点,袋式除尘器的应用相当广泛。
黄金矿除尘器粉尘处理方案
滤筒除尘器以滤筒作为过滤元件所组成或采用脉冲喷吹的除尘器。滤筒除尘器按安装方式分,可以分为斜插式,侧装式,吊装式,上装式。滤筒除尘器按滤筒材料分,可以分为长纤维聚酯滤筒除尘器,复合纤维滤筒除尘器,防静电滤筒除尘器,阻燃滤筒除尘器,覆膜滤筒除尘器,纳米滤筒除尘器等。
-
废水零排放工艺方案
废水零排放是指工业水经过重复使用后,将这部分含盐量和污染物高浓缩成废水全部(99%以上)回收再利用,或者使用压滤机过滤出不溶于水的物质后循环使用,无任何废液排出工厂。水中的盐类和污染物经过浓缩结晶或压滤废渣以固体形式排出厂送垃圾处理厂填埋或将其回收作为有用的化工原料。
纺织厂软化水过滤方案
软化水设备,即降低水硬度的设备,主要除去水中的钙、镁离子,在进水为深井水或者水源硬度很大的情况下,使用软化水设备的作用是去除水中的钙、镁离子含量,使水中钙镁离子减少。软化水设备在软化水的过程中,不能降低水中的总含盐量。
养殖行业用水过滤方案
养殖场水质主要是硬度高,细菌总数超标,超滤设备可以有效去除水中的细菌等。可以有效防止动物感染,降低了死亡率及养殖成本负担。
医用纯水工艺方案
反渗透设备是一款高质量的净水设备,将原水经过预处理、精细过滤器、软化处理等,再通过泵加压,利用孔径反渗透膜(RO膜),反渗透膜能够有效的去除水中的工业污染物、重金属、病毒、细菌、有机物、无机物和放射性物质等,经过净化出的水晶莹清澈、甜美甘醇。
垃圾渗液工艺方案
超滤(Ultra-filtration,UF)是一种能将溶液进行净化和分离的膜分离技术。超滤膜系统是以超滤膜丝为过滤介质,膜两侧的压力差为驱动力的溶液分离装置。超滤膜只允许溶液中的溶剂(如水分子)、无机盐及小分子有机物透过,而将溶液中的悬浮物、胶体、蛋白质和微生物等大分子物质截留,从而达到净化或分离的目的。
机械行业有毒有害废水排放过滤方案
机械加工各种金属制品所排出的废液和冲洗废水,多介质和反渗透设备方案就是根据各个污染企业提供的水质等相关情况,兼顾节水、环保、低能耗的理念推荐的净化水质的设备机组。
-
裂解设备在塑料行业的解决方案
塑料是由石油等化石燃料经过复杂的化学加工制成的,蕴含着大量的化学能。通过裂解过程,可以将废旧塑料转化为燃料油、燃料气等能源产品。例如,聚乙烯塑料裂解后可以得到类似于柴油的燃料油,这些再生能源可以用于工业生产中的加热炉、锅炉等设备,部分替代传统的化石燃料,实现能源的循环利用,提高能源的自给率
裂解设备在油泥行业中的解决方案
新的油泥处理技术不断涌现,如热解吸技术、溶剂萃取技术、生物修复技术等,这些技术在提高油泥处理效率、降低处理成本方面具有显著优势。例如,热解吸技术可以在较低的温度下将油泥中的油分分离出来,同时减少了对环境的污染;生物修复技术则利用微生物的代谢作用,将油泥中的石油烃类物质降解为无害的二氧化碳和水,具有处理成本低、无二次污染等优点
裂解设备在废旧电路板行业的解决方案
裂解是在无氧或缺氧的条件下,利用高温使废旧电路板中的有机成分(如树脂等高分子聚合物)发生化学键断裂。废旧电路板中的金属成分在这个过程中基本保持不变,从而实现金属与非金属的分离。
医疗废物裂解处理方案
新乡市焦点娱乐商丘分焦点娱乐研究出了医疗垃圾处理设备的破碎、消毒和裂解技术,并成功转化为了实际应用。有效的解决了医疗垃圾在传统焚烧和填埋过程中出现的二次污染问题,并使医疗垃圾能源化,实现了资源的二次利用。
电池材料废弃物解决方案
焦点娱乐高温裂解设备,首先解决了废弃物的去向问题,又遵循环保问题,节省了占地,其次废物提炼出来部分的原材料,也能提炼出部分的油。
废旧轮胎裂解处理方案
废旧轮胎通过输送机连续送入热解反应器内,在反应器内进行低温热解反应,得到高温油气、水蒸气与固体产物。












豫公网安备41071102000221号


