定制服务流程
根据不同工况,提供定制服务
主页 > 产品板块 > 油品净化板块 > 液压油过滤器 > ZU-H、QU-H系列压力管路过滤器 >
该过滤器安装在液压系统的压力管路上,用以滤除液压油中混入的机械杂质和液压油本身化学变化所产生的胶质、沥清质、炭渣质等,从 而防止阀芯卡死、节流小孔缝隙和阻尼孔的堵塞以及液压元件过快磨损等故障的发生。
该过滤器设有压差发讯装置,当滤芯污染堵塞到逬出油口压差为035MPa时,即发出开关信号,此时更换滤芯,以达到保护系统安全的目的。
| 应用范围 | 广泛应用于重型机械、矿山机械、冶金机械等液压系统。 |
| 过滤介质 | 液压油中水和乙二醇等 |
| 咨询电话 | 400-0089-277 |
性能与特点
该过滤器过滤效果好,精度高,但堵塞后清洗比较难,而须更换滤芯。
该过滤器滤芯采用玻璃纤维过滤材质,具有过滤精度高、通油能力大、原始压力损失小、纳污量大等优点,其过滤精度以绝对过滤精度标定,过滤比β3、5、10、20>200,过滤效率n≥99.5%,符合ISO标准。
技术参数
| 型号 Model |
通径 Dia (mm) |
公称流量 Flow rate (L/min) |
过滤精度 Filtr. (μm) |
公称压力 Press. (MPa) |
压力损失 Pressure loss(MPa) (MPa) |
发讯装置功率 | 重量 (Kg) |
滤芯型号 Model of element |
连接方式 Connect |
|
|---|---|---|---|---|---|---|---|---|---|---|
| Initia | Max | |||||||||
| ZU/QU-H10x*P | 15 | 10 | 1 3 5 10 20 30 |
32 | 0.08 | 0.35 | 24V/48W 220V/50W |
3.6 | HX - 10 X * # | 管式 |
| ZU/QU-H25x*P | 25 | 5.0 | HX - 25 x * # | |||||||
| ZU/QU-H40X*P | 20 | 40 | 0.1 | 8.0 | HX - 40 X * # | |||||
| ZU/QU-H63x*P | 63 | 9.8 | HX — 63 x * # | |||||||
| ZU/QU-H100x*P | 25 | 100 | 12.0 | HX - 100 X * # | ||||||
| ZU/QU-H160x*P | 32 | 160 | 0.12 | 18.2 | HX - 160 X * # | |||||
| ZU/QU-H250X*FP | 40 | 250 | 23.0 | HX - 250 x * # | 法兰式 | |||||
| ZU/QU-H400x*FP | 50 | 400 | 0.15 | 133.8 | HX - 400 X * # | |||||
| ZU/QU-H630x*FP | 53 | 630 | 42.0 | HX - 630 X * # | ||||||
| ZU/QU-H800x*FP | 800 | 52.0 | HX - 800 X * # | |||||||
注:*为过滤精度,#表示过滤材料,若使用介质为水一乙二醇,使用压力32MPa,公称流量63L/min,滤材为纸质,带发讯器和旁通阀,则过滤器型号为:ZUI·BH-H63x*P,滤芯型号为HX·BH-63X *0。滤材为化纤,带发讯器,则过滤器型号为:QU·BH-63x*Q,滤芯型号为HX·BH-63x*Q, 滤材为金属网,带发讯器,则过滤型号为:WU-H63x*P,滤芯型号为:HX-63x*W
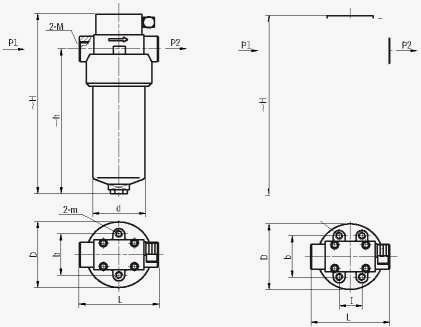
链接尺寸
表一、管式
| 型号 Model |
尺 寸 Size (mm) | ||||||||
|---|---|---|---|---|---|---|---|---|---|
| ~H | ~h | L | I | b | D | d | m | M | |
| ZU/QU-H10x*P | 198 | 140 | 118 | 70 | Φ88 | Φ73 | 2-M6 | M27x2 | |
| ZU/QU-H25x*P | 288 | 230 | |||||||
| ZU/QU-H40x*P | 255 | 194 | 128 | 44 | 86 | Φ124 | Φ102 | 4-M10 | M33X2 |
| ZU/QU-H63x*P | 323 | 262 | |||||||
| ZU/QU-H100x*P | 394 | 329 | M42x2 | ||||||
| ZU/QU —h160x*p | 435 | 362 | 166 | 60 | 100 | Φ146 | Φ121 | M48X2 | |
表二、法兰式
| 型号 Model |
尺 寸 Size (mm) | ||||||||
|---|---|---|---|---|---|---|---|---|---|
| ~H | ~h | L | I | b | D | d | d1 | m | |
| ZU/QU-H250x*FP | 508 | 430 | 166 | 60 | 100 | 146 | 121 | Φ40 | M10 |
| ZU/QU-H400x*FP | 545 | 461 | 206 | 123 | 170 | 146 | Φ50 | M12 | |
| ZU/QU-H630 x*FP | 647 | 563 | Φ55 | ||||||
| ZU/QU-H800x*FP | 767 | 683 | |||||||
表三、板式
注:安装螺钉建议选用GB/T70.1-2000 12.9级
| 型号 Model |
尺 寸 Size (mm) | |||||||||||||||
|---|---|---|---|---|---|---|---|---|---|---|---|---|---|---|---|---|
| ~H | ~H1 | R | d | L | B | I | b | E | f | h | h1 | h2 | d1 | d2 | d3 | |
| ZU/QU-H10x*BP | 210 | 142 | 46 | Φ73 | 158 | 60 | 128 | 30 | 40 | 20 | 50 | 110 | 22 | Φ15 | Φ24 | Φ13 |
| ZU/QU-H25 x *BP | 300 | 232 | ||||||||||||||
| ZU/QU-H40 x *BP | 269 | 199 | 62 | Φ102 | 190 | 64 | 160 | 32 | 50 | 25 | 65 | 138 | 25 | Φ25 | Φ32 | Φ15 |
| ZU/QU-H63x*BP | 337 | 267 | ||||||||||||||
| ZU/QU-H100x*BP | 399 | 329 | ||||||||||||||
| ZU/QU-H160x*BP | 426 | 353 | 73 | Φ121 | 212 | 72 | 180 | 40 | 60 | 30 | 77 | 164 | 30 | Φ32 | Φ40 | Φ17 |
| ZU/QU-H250x*BP | 507 | 429 | 80 | 48 | 30 | Φ40 | Φ50 | |||||||||
| ZU/QU-H400x*BP | 554 | 461 | 85 | Φ146 | 275 | 110 | 225 | 60 | 80 | 40 | 92 | 194 | 40 | Φ50 | Φ65 | Φ26 |
| ZU/QU-H630 x*BP | 654 | 561 | ||||||||||||||
表四、倒装管式
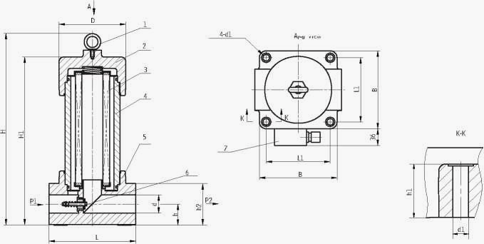
1、 吊环螺钉 2、 顶盖 3、 滤芯 4、 壳体 5、 滤头 6、 旁通阀 7、 发讯器
| 型号 Model |
尺 寸 Size (mm) | ||||||||||
|---|---|---|---|---|---|---|---|---|---|---|---|
| H | H1 | L | L1 | B | d1 | h | h1 | h2 | M | d | |
| ZU/QU-H10x*DLP | 198 | 148 | 130 | 95 | 115 | Φ9 | 27.5 | 33 | 54 | M27x2 | Φ92 |
| ZU/QU-H25x*DLP | 288 | 238 | |||||||||
| ZU/QU-H40x*DLP | 247 | 197 | 156 | 115 | 145 | Φ14 | 34 | 41 | 68 | M33x2 | Φ124 |
| ZU/QU-H63x*DLP | 315 | 265 | |||||||||
| ZU/QU-H100x*DLP | 377 | 327 | M42x2 | ||||||||
| ZU/QU-H160x*DLP | 415 | 365 | 190 | 140 | 170 | 46 | 50 | 92 | M48x2 | Φ146 | |
表五、倒装法兰式
1、 吊环螺钉 2、 顶盖 3、 滤芯 4、 壳体 5、 滤头 6、 旁通阀 7、 发讯器
| 型号 Model |
尺 寸 Size (mm) | ||||||||||
|---|---|---|---|---|---|---|---|---|---|---|---|
| H | H1 | D | L | L1 | B | d1 | h | h1 | h2 | d | |
| ZU/QU-H10X*DFP | 198 | 148 | Φ92 | 130 | 95 | 115 | Φ9 | 27.5 | 33 | 54 | Φ18 |
| ZU/QU-H25x*DFP | 288 | 238 | |||||||||
| ZU/QU-H40x*DFP | 247 | 197 | Φ124 | 156 | 115 | 145 | Φ14 | 34 | 41 | 68 | Φ25 |
| ZU/QU-H63x*DFP | 315 | 265 | |||||||||
| ZU/QU-H100x*DFP | 377 | 327 | |||||||||
| ZU/QU-H160x*DFP | 415 | 365 | Φ146 | 190 | 140 | 170 | 46 | 50 | 92 | Φ32 | |
| ZU/QU-H250x*DFP | 485 | 435 | Φ40 | ||||||||
| ZU/QU-H400x*DFP | 532 | 482 | Φ176 | 240 | 160 | 200 | Φ18 | 63 | 75 | 122 | Φ50 |
| ZU/QU-H630 x*DFP | 632 | 582 | Φ55 | ||||||||
| ZU/QU-H800x*DFP | 752 | 702 | |||||||||
表六、倒装法兰式A型
1、 吊环螺钉 2、 顶盖 3、 滤芯 4、 壳体 5、 滤头 6、 旁通阀 7、 发讯器
| 型号 Model |
尺 寸 Size (mm) | |||||||||||
|---|---|---|---|---|---|---|---|---|---|---|---|---|
| H | H1 | L | L1 | L2 | B | d1 | h | h1 | h2 | d | D | |
| ZU/QU-H10x* DFAP | 198 | 148 | 122.5 | 65 | 95 | 115 | Φ9 | 27.5 | 33 | 54 | Φ18 | Φ92 |
| ZU/QU-H25X* DFAP | 288 | 238 | ||||||||||
| ZU/QU-H40x* DFAP | 247 | 197 | 150.5 | 78 | 115 | 145 | Φ14 | 34 | 41 | 68 | Φ25 | Φ124 |
| ZU/QU-H63X* DFAP | 315 | 265 | ||||||||||
| ZU/QU-H100X* DFAP | 377 | 327 | ||||||||||
| ZU/QU-H160X* DFAP | 415 | 365 | 180 | 95 | 140 | 170 | 46 | 50 | 92 | Φ32 | Φ146 | |
| ZU/QU-H250X* DFAP | 485 | 435 | Φ40 | |||||||||
| ZU/QU-H400X* DFAP | 532 | 482 | 220 | 120 | 160 | 200 | Φ18 | 63 | 75 | 122 | Φ50 | Φ176 |
| ZU/QU-H630X* DFAP | 632 | 582 | Φ55 | |||||||||
| ZU/QU-H800X* DFAP | 752 | 702 | ||||||||||
表七、倒装法兰式B型
1、 吊环螺钉 2、 顶盖 3、 滤芯 4、 壳体 5、 滤头 6、 旁通阀 7、 发讯器
| 型号 Model |
尺 寸 Size (mm) | |||||||||||
|---|---|---|---|---|---|---|---|---|---|---|---|---|
| H | H1 | L | L1 | L2 | B | d1 | h | h1 | h2 | d | D | |
| ZU/QU-H10x* DFBP | 198 | 148 | 122.5 | 65 | 95 | 115 | Φ9 | 27.5 | 33 | 54 | Φ18 | Φ92 |
| ZU/QU-H25X* DFBP | 288 | 238 | ||||||||||
| ZU/QU-H40x* DFBP | 247 | 197 | 150.5 | 78 | 115 | 145 | Φ14 | 34 | 41 | 68 | Φ25 | Φ124 |
| ZU/QU-H63X* DFBP | 315 | 265 | ||||||||||
| ZU/QU-H100X* DFBP | 377 | 327 | ||||||||||
| ZU/QU-H160X* DFBP | 415 | 365 | 180 | 95 | 140 | 170 | 46 | 50 | 92 | Φ32 | Φ146 | |
| ZU/QU-H250X* DFBP | 485 | 435 | Φ40 | |||||||||
| ZU/QU-H400X* DFBP | 532 | 482 | 220 | 120 | 160 | 200 | Φ18 | 63 | 75 | 122 | Φ50 | Φ176 |
| ZU/QU-H630X* DFBP | 632 | 582 | Φ55 | |||||||||
| ZU/QU-H800X* DFBP | 752 | 702 | ||||||||||
表八、倒装板式
1、 吊环螺钉 2、 顶盖 3、 滤芯 4、 壳体 5、 滤头 6、 旁通阀 7、 发讯器
注:安装螺钉建议选用GB/T70.L2000 12.9级
| 型号 Model |
尺 寸 Size (mm) | ||||||||||||
|---|---|---|---|---|---|---|---|---|---|---|---|---|---|
| H | H1 | D | L | L1 | B | d1 | E | h1 | h2 | d3 | d4 | b | |
| ZU/QU-H10X* BDP | 196 | 146 | Φ92 | 130 | 90 | 115 | Φ11.5 | 60 | 31 | 50 | Φ15 | Φ24 | 14 |
| ZU/QU-H25X*BDP | 286 | 236 | |||||||||||
| ZU/QU-H40X*BDP | 245 | 195 | Φ124 | 156 | 115 | 145 | Φ16 | 88 | 39 | 64 | Φ25 | Φ38 | 15 |
| ZU/QU-H63X*BDP | 313 | 263 | |||||||||||
| ZU/QU-H100X*BDP | 375 | 325 | |||||||||||
| ZU/QU-H160X*BDP | 413 | 363 | Φ146 | 190 | 135 | 170 | Φ18 | 104 | 48 | 88 | Φ40 | Φ50 | 23 |
| ZU/QU-H250X* BDP | 483 | 433 | |||||||||||
| ZU/QU-H400X* BDP | 530 | 480 | Φ176 | 240 | 160 | 200 | Φ26 | 144 | 70 | 118 | Φ50 | Φ65 | 24 |
| ZU/QU-H630X* BDP | 630 | 580 | |||||||||||
| ZU/QU-H800X* BDP | 750 | 700 | |||||||||||
现场直击
产品实拍
视频
客户案例
用途:液压油过滤流量:1000t/h
用途:液压油过滤流量:200t/h
用途:油过滤流量:100t/h
根据不同工况,提供定制服务
您只需一个电话 剩下的交给焦点娱乐
职业销售团队与您对接需求情况
专业工程师 提供精准解决方案
标准化生产流程 保障产品质量
专业安装团队 保障设备正常运行
提供全套后期维护服务